Steril Membran Filtreler

Steril Membran Filtreler


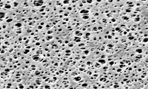
Tek tek paketli ve kullanıma hazır steril membranlar, koloni sayımı, partikül testi, mikroskopi ve sterilite testi için kullanılabilir. Membran filtreler, selüloz nitrat (selüloz karışık ester), selüloz asetat veya rejenere selülozdan yapılır. Hidrofobik kenarlı veya kenarsız ızgaralı veya ızgarasız tek paketlenmiş steril membranlar arasında seçim yapın.

Steril, ızgaralı membran filtreler, sağladıkları faydalar nedeniyle rutin mikrobiyolojik kalite kontrolünde yaygın olarak kullanılmaktadır. İster tekli ister dağıtıcıya hazır olsun, membran filtreler kullanıma hazırdır ve her filtre ayrı ayrı paketlenir ve hazırlık süresinden tasarruf sağlarken en yüksek güvenliği sunar. Her bir zarf, filtre kimliği ve lot numarası ile işaretlenmiştir.

Membran filtreler farklı gözenek boyutlarında ve üç farklı malzeme tipinde mevcuttur. Selüloz nitrat filtreleri (karışık selüloz ester), selüloz nitrat ve selüloz asetatın bir karışımını içerir, bu materyal, yüksek akış hızları ve optimal koloni büyümesi ile birlikte etkili tutmayı garanti eder. Selüloz asetat, yüksek akış hızlarını ve termal kararlılığı çok düşük adsorpsiyon özellikleriyle birleştirir. Çeşitli filtre renkleri, kolay ve güvenilir kantifikasyon ve tanımlama için kolonilerle mümkün olan en iyi kontrastı sağlar.

  • Mikroorganizmalar için olağanüstü geri kazanım oranları
  • 0,45 µm filtreler ISO 7704'e göre
  • Yüksek akışlı membranlar mevcuttur
  • Üç farklı renk
  • Çeşitli gözenek boyutları
  • Sertifikalı kalite
  • 25 kGray'de ışınlanmış gama
  • Membran filtreler aşağıdaki normlara uygundur: ISO 7704, ISO 7899-2, ISO 8199, ISO 9308-1 ve EN 12780.

Products for Microbiological Control

İndir

Microfilters Product Overview

İndir

Benzer Ürünler